h免费在线观看_亚洲热在线视频_四虎影院免费看_国产在线视频三区_三级欧美在线_四虎av网址

  • 服務熱線:021-80370923

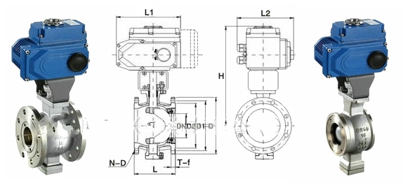
電動V型球閥

電動V型球閥圖片

電動V型球閥

  • 閥門型號:VQ947F,VQ947H
  • 通徑規格:DN25~DN300
  • 結構形式:V型球芯
  • 閥體材質:鑄鋼WCB、不銹鋼304、不銹鋼316
  • 公稱壓力:PN10、PN16、PN25、PN64
  • 適用溫度:-40℃~450℃
  • 應用范圍:油品、粘性流體、漿料、含纖維及粉粒狀介質
  • 產品特點:剪切功能,使用范圍廣,具有可靠的調節控制能力

電動V型球閥概述:

電動V型球閥是一種球芯為V型結構的高性能V型調節閥,

它的V型開口可與閥座流道形成各種不同的V型角度,實現對管路介質各項參數的比例式*準調節。

電動V型調節球閥關閉時,V型切口能夠輕松切斷管道內的各種紙漿或纖維等粘稠介質,

有效保證管路的流通,又能防止球閥球芯卡死的現象。電動V型球閥調節流量

有近似等百分比或者線性的流量特性,V型口角度可定*,滿足更*確的截斷特性和控*功能。
 

電動V型球閥分類
電動法蘭V型球閥                                                                                                     電動對夾式V型球閥

 
電動V型球閥優點:    電動V型球閥工作原理動態圖

1、電動V型球閥的V型缺口球芯與金屬閥座之間具有極佳的剪切功能,
特別適用于含纖維質流體、微小固體顆粒、料漿類流體等介質的工業管道中做自控調節和切斷控*。
2、電動V型調節閥可調范圍較廣,有近似等百分比或者線性的流量特性,還具有可靠的定位能力。 
3、電動V型調節球閥特有的V型閥芯結構改善了傳統球閥的控*性問題,
使介質流量通過V型閥芯開口之間的開度得到了更*密的控*。

電動V型調節閥技術參數:

公稱通徑 DN25~DN300(MM)
公稱壓力 PN1.0、1.6、2.5、6.4MPa
連接形式 法蘭式連接
閥芯結構 V 型缺口閥芯
動作范圍 0-90度
流量特性 近似等百分比、直線特性
泄露量Q
軟密封:零泄露;硬密封:≤額定Cv×0.001%
開關時間 8秒-15-30秒-60秒(可根據要求定*)
閥體材質 碳鋼WCB、不銹鋼304、不銹鋼316
適用溫度 軟密封:-29~+150℃ 硬密封:-150~+450℃
作用形式 智能調節型(4~20mA模擬量信號控*)無源觸點信號

電動V型球閥流道的截面形狀及流量特性示意圖:

電動V型球閥流量特性示意圖

電動V型球閥流量特性:

公稱通徑(mm) 25 50 100 125 150 200 250 300
流量系數(Kv) 30 90 387 600 965 1567 2400 3900


相關產品:氣動V型球閥    電動O型調節球閥    電動切斷球閥

上一篇:電動三片式球閥 下一篇:電動調節球閥