h免费在线观看_亚洲热在线视频_四虎影院免费看_国产在线视频三区_三级欧美在线_四虎av网址

  • 服務熱線:021-80370923

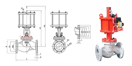
氣動法蘭截止閥

氣動法蘭截止閥圖片

氣動法蘭截止閥

  • 閥門型號:J641H,J641Y,J641W
  • 通徑規格:DN50~DN300
  • 結構形式:直通
  • 閥體材質:鑄鋼WCB、不銹鋼304、不銹鋼316
  • 公稱壓力:PN16-PN160
  • 適用溫度:-29℃-550℃
  • 應用范圍:污水、環保、石油、化工、電力行業等
  • 產品特點:閥門剛性好,通道流暢,密封可靠,性能優良,壽命長
氣動法蘭截止閥簡介:
 
氣動法蘭截止閥J641H-16C主要由法蘭截止閥與氣動執行機構、氣動控*元件、信號開關、(可配手輪機構)等相關部件連接而組成,是借助壓縮空氣來驅動的一種自動控*設備,由氣源進入氣動執行器帶動氣缸,連接閥桿閥芯閥瓣做升降運動。氣動法蘭截止閥閥體(閥瓣)與閥座密封面采用錐面密封,關閉力小,耐沖刷,密封可靠。閥座可為更換式閥座,可任意組合與關閉件密封面材料的配對,以滿足工況要求,延長使用壽命。
氣動法蘭截止閥結構圖
氣動法蘭截止閥結構圖
氣動截止閥執行機構:
 
法蘭氣動鑄鋼截止閥氣動執行器一般為氣動彈簧活塞式和氣動氣缸活塞式兩種,前者為單作用彈簧復位式,后者為雙作用氣關氣開式。氣動法蘭截止閥采用自密封工作原理,介質由閥瓣上方進入閥腔,在介質壓力作用下,截止閥關閉力小,而開啟力大,閥桿的直徑可以相應地減少流體的沖擊力。同時在介質壓力作用下,這種形式的閥門也較嚴密。氣動截止閥一般為全開和全關,不建議做節流和調節使用。
 
氣動法蘭截止閥技術參數:

公稱通徑 DN50~DN300
公稱壓力 PN1.6、2.5、4.0、6.4MPa
控*方式 氣動控*(氣源驅動)
連接形式 法蘭式
壓蓋型式 螺栓壓緊式
法蘭標準 *標
工作溫度 -29℃-550℃
使用范圍 水、油品、蒸汽等介質

氣動法蘭截止閥原理:
 
氣動截止閥利用壓縮空氣推動執行器內多組組合氣動活塞運動,傳力給橫梁和內曲線軌道的特性,帶動空芯主軸作旋轉運動,壓縮空氣氣盤輸至各缸,改變進出氣位置以改變主軸旋轉方向,根據負載截止閥所需旋轉扭矩的要求,可調整氣缸組合數目,帶動負載截止閥工作。

氣動法蘭截止閥設計標準:

設計與*造 GB/T12235
結構長度 GB/T12221
法蘭尺寸 JB/T79

相關產品:電動法蘭截止閥  不銹鋼氣動法蘭截止閥  氣動法蘭高溫截止閥