h免费在线观看_亚洲热在线视频_四虎影院免费看_国产在线视频三区_三级欧美在线_四虎av网址

  • 服務熱線:021-80370923

氣動硬密封蝶閥

氣動硬密封蝶閥圖片

氣動硬密封蝶閥

  • 閥門型號:D643H,D673H
  • 通徑規格:DN50~DN1200
  • 結構形式:三偏心硬密封(對夾式,法蘭)
  • 閥體材質:碳鋼WCB、不銹鋼304、不銹鋼316
  • 公稱壓力:PN10、PN16、PN25、PN40
  • 適用溫度:-40℃~450℃
  • 應用范圍:水、蒸氣、油品、酸類腐蝕性等
  • 產品特點:壽命長,啟閉無摩擦,使用范圍廣,可用于高溫高壓
氣動硬密封蝶閥簡介:

氣動硬密封蝶閥屬于長壽命、高品質蝶閥,采用三維偏心原理設計
主要由法蘭或對夾式硬密封蝶閥與氣動執行裝置連接組成,閥座和碟板密封面采用不同硬度的金屬材料或不銹鋼*成,具有耐高溫、耐腐蝕、耐磨損等優點。氣動硬密封蝶閥采用硬軟密封兼容的多層次結構,無論在低溫或高溫的工況中都能保證優良的密封性能,且閥門在開啟和關閉時碟板和閥座基本無摩擦現象,大大提高了蝶閥的使用壽命。氣動硬密封蝶閥廣泛應用于電力、油品、蒸汽、空氣、污水等介質的管道當中,是開關控*或調節流量的*佳裝置。
氣動硬密封蝶閥
氣動對夾式硬密封蝶閥                    氣動法蘭硬密封蝶閥

氣動硬密封蝶閥性能特點:
 
1、采用三偏心原理結構,閥座與碟板在啟閉時幾乎無摩擦,提高了使用壽命。  
2、結構獨特,操作靈活、省力、方便、不受介質壓力的高、低影響,密封性能可靠。 
3、可分為氣動對夾式硬密封蝶閥和氣動法蘭硬密封蝶閥,滿足于不同連接方式,方便安裝在管道中。
3、密封是采用軟硬金屬片層疊組成,具有金屬密封和彈性密封的雙重優點,無論在低溫和高溫情況下,均具有優良的密封特性。 
5、蝶閥設有密封調節裝置,長期使用后若密封性能下降,可調節碟板密封圈向閥座靠近即可恢復原有密封性能,大大地提高使用壽命。

氣動硬密封蝶閥技術參數:
 
公稱通徑 DN50~DN1200(mm)
壓力等* PN1.0、1.6、2.5、4.0MPa
連接方式 對夾式、法蘭連接
密封形式 金屬硬密封
驅動方式 氣源驅動,壓縮空氣5~7bar(可帶手輪)
動作范圍 0~90°
閥體材質 碳鋼、不銹鋼304、不銹鋼316
工作場合 水、蒸氣、油品、酸類腐蝕性等(可高壓高溫場合)
溫度范圍 碳鋼:-29℃~450℃ 不銹鋼:-40℃~450℃
控*方式 開關模式(開關兩位控*,氣開、氣關式)、智能調節型(4~20mA模擬量信號)、彈簧復位
 
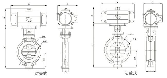
氣動對夾硬密封蝶閥結構圖
氣動對夾式硬密封蝶閥結構圖                              氣動法蘭硬密封蝶閥結構圖

氣動硬密封蝶閥執行機構:

供氣壓力 0.4~0.7MPa
氣源接口 G1/4"、G1/8"、G3/8"、G1/2"
環境溫度 -30~+70℃
作用形式 單作用執行機構:氣關式(B)--失氣時閥位開(FO);氣開式(K)--失氣時閥位關(FC)
雙作用執行機構:氣關式(B)--失氣時閥位保持(FL);氣開式(K)-- 失氣時閥位保持(FL)
可配附件 定位器、電磁閥、空氣過濾減壓器、保位閥、行程開關、閥位傳送器、手輪機構等

氣動硬密封蝶閥和氣動軟密封蝶閥的區別:
 
1、軟密封使用于低壓-常壓,硬密封可使用于中高壓工況。
2、軟密封用于低溫,常溫環境,硬密封可用于低溫、常溫、高溫等環境。
3、軟密封蝶閥多為中線型結構,硬密封一般是單偏心、雙偏心和三偏心蝶閥結構。
4、軟密封蝶閥比三偏心硬密封蝶閥密封性能比較好,但三偏心蝶閥在高壓高溫環境下可以保持良好的密封。
 
氣動硬密封蝶閥和氣動軟密封蝶閥的優缺點:

硬密封蝶閥使用壽命長,但是密封性相對比軟密封差。
軟密封蝶閥的優點是密封性能好,缺點是容易老化、磨損、使用壽命短。
軟密封蝶閥多適用于含腐蝕性等常溫管路做啟閉及調節,硬密封蝶閥多用于供熱、供氣、及煤氣、油品、酸堿等環境。

相關產品: 電動硬密封蝶閥     氣動硬密封三偏心蝶閥     不銹鋼氣動蝶閥
上一篇:不銹鋼氣動蝶閥 下一篇:氣動法蘭蝶閥